Serviços
Foto instalações elétricas
Instalações Elétricas

Instalações elétricas são sistemas organizados de componentes que transmitem e distribuem energia elétrica. Incluem fonte de energia, quadro de distribuição, condutores, dispositivos de proteção, tomadas, interruptores e elementos de segurança, como aterramento. Devem ser projetadas por profissionais e seguir normas para garantir segurança e eficiência.

Foto Cabeamento Estruturado
Cabeamento Estruturado

Cabeamento Estruturado é um sistema padronizado de infraestrutura de rede que suporta a transmissão de dados, voz e vídeo em edifícios comerciais. Inclui cabos, conectores, painéis de conexão e dispositivos de distribuição, organizados em salas de telecomunicações. Essa abordagem flexível facilita a adaptação a mudanças tecnológicas, garantindo eficiência e fácil manutenção.

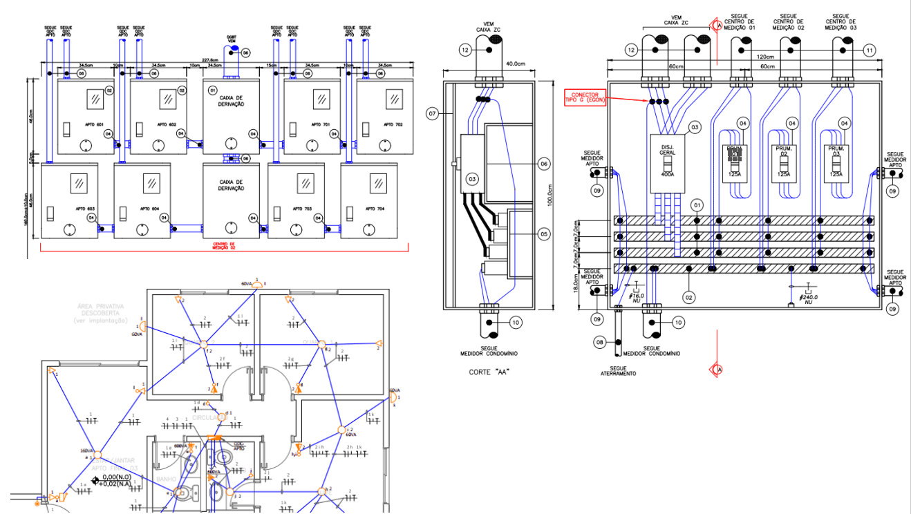
Foto Entrada de Energia
Entrada de Energia

A Entrada de Energia refere-se ao ponto de conexão onde a eletricidade proveniente da concessionária ou de fontes locais entra no sistema elétrico de um edifício. Geralmente associada a medidores, essa entrada é vital para monitorar o consumo. Podem existir dispositivos de proteção neste ponto, como disjuntores, para garantir a segurança do sistema. O projeto e a manutenção adequados da Entrada de Energia são cruciais para assegurar a distribuição eficiente e segura da eletricidade no edifício.

Foto Telecomunicações
Telecomunicações

O serviço de Telecomunicações na Engenharia Elétrica abrange a transmissão de informações por meio de sinais elétricos, ópticos ou radiofrequência. Envolve infraestrutura para dados, voz e vídeo, incluindo cabeamento estruturado, antenas, equipamentos de comutação e transmissão. A integração eficiente desses elementos permite comunicação rápida e confiável, essencial para sistemas modernos de informação e comunicação em edifícios e redes.

Foto CFTV e Segurança
CFTV e Segurança

O serviço de CFTV (Circuito Fechado de Televisão) e Segurança trata da implementação de sistemas de vigilância e proteção. Isso envolve câmeras de monitoramento, sensores de movimento, alarmes e dispositivos de controle de acesso. O CFTV permite a visualização e gravação de atividades em tempo real, contribuindo para a segurança de propriedades. A integração com sistemas elétricos e de automação reforça a eficácia na detecção e resposta a eventos de segurança.

Foto SPDA
SPDA

O SPDA (Sistema de Proteção contra Descargas Atmosféricas) é um serviço que visa proteger estruturas contra os efeitos de raios. Consiste em instalar dispositivos como para-raios e malhas de aterramento, criando um caminho seguro para a descarga atmosférica. Essa medida evita danos a edificações, equipamentos elétricos protege as pessoas contra os riscos associados a descargas elétricas atmosféricas. O projeto do SPDA segue normas específicas para garantir eficácia e segurança.

Foto Detecção e Alarme de Incêndio
Detecção e Alarme de Incêndio

O serviço de Detecção e Alarme de Incêndio envolve a implementação de sistemas que identificam precocemente sinais de incêndio. Isso inclui detectores de fumaça, calor ou chama que, ao identificar uma ameaça, aciona alarmes sonoros e visuais. Essenciais para a segurança, esses sistemas alertam ocupantes e equipes de emergência, minimizando danos e permitindo a rápida resposta a incidentes. O projeto segue normas rigorosas para garantir eficácia e conformidade com regulamentos de segurança.

Foto Consultoria
Consultoria

O serviço de Consultoria em Engenharia Elétrica oferece orientação técnica em diversos aspectos elétricos. Abrange desde o projeto e dimensionamento de sistemas elétricos, até a análise de eficiência energética, garantindo a adoção de melhores práticas, segurança, conformidade com normas e otimização de recursos. Inclui, ainda, a emissão de laudos técnicos, como o Laudo NR10 e Laudo de SPDA.

A atenção aos detalhes

Ao longo dos projetos, além da qualidade, a Vivo Engenharia valoriza também detalhes visuais como cores, detalhes e vistas para um melhor entendimento das soluções empregadas.
Projeto

© Criado por Reverbera Design. Todos os direitos reservados.